联系人:刘小姐
电 话:18581853739
座 机:028-66579066
网 址:www.bohaigs.com
地 址:四川省成都市高新区创业路1号剑恒发展中心5楼510室
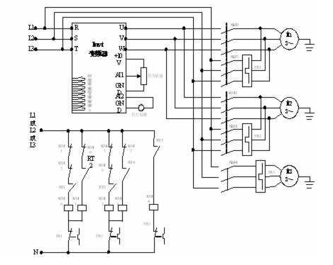
恒压变频供水系统中加减泵的条件分析
在恒压变频供水设备的工作流程中,我们提到当一台调速水泵己运行在上限频率,此时管网的实际压力仍低于设定压力,此时需要增加恒速水泵来满足供水要求,达到恒压的目的。当调速水泵和恒速水泵都在运行且调速水泵己运行在下限频率,此时管网的实际压力仍高于设定压力,此时需要减少恒速水泉来减少供水流量,达到恒压的目的。
那么何时进行切换?刁能使系统提供稳定可靠的供水压力,同时使机组不过于频繁的切换。

尽管通用变频器的频率都可以在0-400Hz范围内进行调节,但当它用在供水系统中,其频率调节的范围是有限的,不可能无限地增大和减小。当正在变频状态下运行的水泵电机要切换到工频状态下运行时,只能在50Hz时进行。由于电网的限制以及变频器和电机工作频率的限制,50Hz成为频率调节的上限频率。
当变频器的输出频率己经到达50Hz时,即使实际供水压力仍然低于设定压力,也不能够再增加变频器的输出频率了。要增加实际供水压力,正如前面所讲的那样,只能够通过水泵机组切换,增加运行机组数量来实现。另外,变频器的输出频率不能够为负值,最低只能是0Hz。
其实,在实际应用中,变频器的输出频率是不可能降低到0Hz。因为当水泵机组运行,电机带动水泵向管网供水时,由于管网中的水压会反推水泵,给带动水泵运行的电机一个反向的力矩,同时这个水压也在一定程度上阻止源水池中的水进入管网,因此,当电机运行频率下降到一个值时,水泵就己经抽不出水了,实际的供水压力也不会随着电机频率的下降而下降。这个频率在实际应用中就是电机运行的下限频率。这个频率远大于0Hz,具体数值与水泵特性及系统所使用的场所有关,一般在20Hz左右。由于在变频运行状态下,水泵机组中电机的运行频率由变频器的输出频率决定,这个下限频率也就成为变频器频率调节的下限频率。
在恒压变频供水设备实际应用中,应当在确实需要机组进行切换的时候才进行机组的切换。
所谓延时判别,是指系统仅满足频率和压力的判别条件是不够的,如果真的要进行机组切换,切换所要求的频率和压力的判别条件必须成立并且能够维持一段时间(比如1-2分钟),如果在这一段延时的时间内切换条件仍然成立,则进行实际的机组切换操作;如果切换条件不能够维持延时时间的要求,说明判别条件的满足只是暂时的,如果进行机组切换将可能引起一系列多余的切换操作。


微信在线咨询

