推荐产品 / RELEVANT
联系我们 / CONTACT
联系人:刘小姐
电 话:18581853739
座 机:028-66579066
网 址:www.bohaigs.com
地 址:四川省成都市高新区创业路1号剑恒发展中心5楼510室
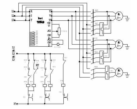
恒压变频供水设备plc选型
2017-04-07 296人浏览
恒压变频供水设备的水泵M1、M2,M3可变频运行,也可工频运行,需PLC的6个输出点,变频器的运行与关断由PLC的1个输出点,控制变频器使电机正转需1个输出信号控制,报警器的控
恒压变频供水设备PID控制详细介绍
2017-04-06 446人浏览
恒压变频供水设备仅用P动作控制,不能完全消除偏差。为了消除残留偏差,一般采用增加I动作的PI控制。用PI控制时,能消除由改变目标值和经常的外来扰动等引起的偏差。但是,I动作过强
恒压变频供水系统中加减泵的条件分析
2017-04-06 336人浏览
在恒压变频供水设备的工作流程中,我们提到当一台调速水泵己运行在上限频率,此时管网的实际压力仍低于设定压力,此时需要增加恒速水泵来满足供水要求,达到恒压的目的。当调速水泵和恒速水
恒压变频供水设备工作原理
2017-04-05 276人浏览
恒压变频供水设备工作过程: 合上空气开关,供水系统投入运行。将手动、自动开关打到自动上,系统进入全自动运行状态,PLC中程序首先接通KM6,并起动变频器。根据压力设定值(根据管网


微信在线咨询







